HOME >> Services >> Partners >> FAG Bearing
FAG Bearing
IKO Bearing
INA Bearing
KOYO Bearing
NACHI Bearing
NSK Bearing
NTN Bearing
SKF Bearing
TIMKEN Bearing

Bearing number : 23992-B-K-MB + AH3992-H
Size (mm) : 440x620x118
Brand : FAG
Bore Diameter (mm) : 440
Outer Diameter (mm) : 620
Width (mm) : 118
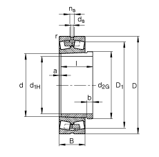
d1H - 440 mm
D - 620 mm
B - 118 mm
a - 8 mm
b - 25 mm
D1 - 573,3 mm
Da max - 605,4 mm
d - 460 mm
d2G - Tr480X5
da min - 474,6 mm
ds - 12,5 mm
l - 145 mm
ns - 23,5 mm
ra max - 3 mm
rmin - 4 mm
- AH3992-H / Designation, withdrawal sleeve
m - 103 kg / Weight
m1 - 22,2 kg / Weight, withdrawal sleeve
Cr - 2280000 N / Dynamic load rating (radial)
e - 0,18
Y1 - 3,85
Y2 - 5,73
C0r - 5400000 N / Static load rating (radial)
Y0 - 3,76
nG - 1080 1/min / Limiting speed
nB - 590 1/min / Reference speed
Cur - 370000 N / Fatigue limit load, radial
Main dimensions to DIN 635-2