HOME >> Services >> Partners >> FAG Bearing
FAG Bearing
IKO Bearing
INA Bearing
KOYO Bearing
NACHI Bearing
NSK Bearing
NTN Bearing
SKF Bearing
TIMKEN Bearing

Bearing number : 239SM560-MA
Size (mm) : 560x800x150
Brand : FAG
Bore Diameter (mm) : 560
Outer Diameter (mm) : 800
Width (mm) : 150
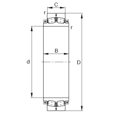
d - 560 mm
D - 800 mm
C - 150 mm
B - 235 mm
rmin - 5 mm
m - 356 kg / Weight
Cr - 2900000 N / Dynamic load rating (radial)
e - 0,17
Y1 - 3,95
Y2 - 5,88
C0r - 7100000 N / Static load rating (radial)
Y0 - 3,86
nG - 880 1/min / Limiting speed
Cur - 530000 N / Fatigue limit load, radial
Fa max - 60000 N / Permissible axial load, for inner ring without axial abutment
Mi - 295 Nm / Tightening torque per clamping screw
Ma - 69 Nm / Tightening torque per clamping screw