HOME >> Services >> Partners >> FAG Bearing
FAG Bearing
IKO Bearing
INA Bearing
KOYO Bearing
NACHI Bearing
NSK Bearing
NTN Bearing
SKF Bearing
TIMKEN Bearing

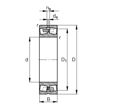
Bearing number : 240/500-B-MB
Size (mm) : 500x720x218
Brand : FAG
Bore Diameter (mm) : 500
Outer Diameter (mm) : 720
Width (mm) : 218
d - 500 mm
D - 720 mm
B - 218 mm
D1 - 645,8 mm
Da max - 697 mm
da min - 523 mm
ds - 12,5 mm
ns - 23,5 mm
ra max - 5 mm
rmin - 6 mm
m - 299 kg / Weight
Cr - 4900000 N / Dynamic load rating (radial)
e - 0,29
Y1 - 2,32
Y2 - 3,45
C0r - 11200000 N / Static load rating (radial)
Y0 - 2,26
nG - 740 1/min / Limiting speed
nB - 370 1/min / Reference speed
Cur - 850000 N
Main dimensions to DIN 635-2