HOME >> Services >> Partners >> FAG Bearing
FAG Bearing
IKO Bearing
INA Bearing
KOYO Bearing
NACHI Bearing
NSK Bearing
NTN Bearing
SKF Bearing
TIMKEN Bearing

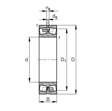
Bearing number : 240/600-B-MB
Size (mm) : 600x870x272
Brand : FAG
Bore Diameter (mm) : 600
Outer Diameter (mm) : 870
Width (mm) : 272
d - 600 mm
D - 870 mm
B - 272 mm
D1 - 773,3 mm
Da max - 847 mm
da min - 623 mm
ds - 12,5 mm
ns - 23,5 mm
ra max - 5 mm
rmin - 6 mm
m - 553 kg / Weight
Cr - 7100000 N / Dynamic load rating (radial)
e - 0,31
Y1 - 2,21
Y2 - 3,29
C0r - 16600000 N / Static load rating (radial)
Y0 - 2,16
nG - 580 1/min / Limiting speed
nB - 285 1/min / Reference speed
Cur - 1200000 N
Main dimensions to DIN 635-2