HOME >> Services >> Partners >> FAG Bearing
FAG Bearing
IKO Bearing
INA Bearing
KOYO Bearing
NACHI Bearing
NSK Bearing
NTN Bearing
SKF Bearing
TIMKEN Bearing

Bearing number : 240/710-B-K30-MB + AH240/710-H
Size (mm) : 670x1030x315
Brand : FAG
Bore Diameter (mm) : 670
Outer Diameter (mm) : 1030
Width (mm) : 315
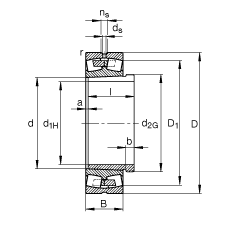
d1H - 670 mm
D - 1030 mm
B - 315 mm
a - 33 mm
b - 50 mm
D1 - 921,6 mm
Da max - 1002 mm
d - 710 mm
d2G - Tr740X7
da min - 738 mm
ds - 12,5 mm
l - 365 mm
ns - 23,5 mm
ra max - 6 mm
rmin - 7,5 mm
- AH240/710-H / Designation, withdrawal sleeve
m - 873 kg / Weight
m1 - 151 kg / Weight, withdrawal sleeve
Cr - 9500000 N / Dynamic load rating (radial)
e - 0,3
Y1 - 2,26
Y2 - 3,37
C0r - 22800000 N / Static load rating (radial)
Y0 - 2,21
nG - 480 1/min / Limiting speed
nB - 225 1/min / Reference speed
Cur - 1550000 N / Fatigue limit load, radial
Main dimensions to DIN 635-2