HOME >> Services >> Partners >> FAG Bearing
FAG Bearing
IKO Bearing
INA Bearing
KOYO Bearing
NACHI Bearing
NSK Bearing
NTN Bearing
SKF Bearing
TIMKEN Bearing

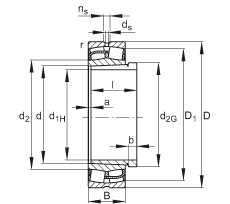
Bearing number : 24052-E1-K30 + AH24052
Size (mm) : 240x400x140
Brand : FAG
Bore Diameter (mm) : 240
Outer Diameter (mm) : 400
Width (mm) : 140
d1H - 240 mm
D - 400 mm
B - 140 mm
a - 16 mm
b - 20 mm
D1 - 349 mm
Da max - 385,4 mm
d - 260 mm
d2 - 288,3 mm
d2G - Tr270X4
da min - 274,6 mm
ds - 6,3 mm
l - 162 mm
ns - 12,2 mm
ra max - 3 mm
rmin - 4 mm
- AH24052 / Designation, withdrawal sleeve
m - 61,2 kg / Weight
m1 - 11,6 kg / Weight, withdrawal sleeve
Cr - 2210000 N
e - 0,32
Y1 - 2,09
Y2 - 3,11
C0r - 3650000 N / Static load rating (radial)
Y0 - 2,04
nG - 1510 1/min / Limiting speed
nB - 890 1/min / Reference speed
Cur -
Main dimensions to DIN 635-2