HOME >> Services >> Partners >> FAG Bearing
FAG Bearing
IKO Bearing
INA Bearing
KOYO Bearing
NACHI Bearing
NSK Bearing
NTN Bearing
SKF Bearing
TIMKEN Bearing

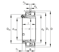
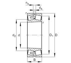
Bearing number : 24064-E1A-K30-MB1
Size (mm) : 320x480x160
Brand : FAG
Bore Diameter (mm) : 320
Outer Diameter (mm) : 480
Width (mm) : 160
d - 320 mm
D - 480 mm
B - 160 mm
D1 - 422,3 mm
Da max - 465,4 mm
da min - 334,6 mm
ds - 8 mm
ns - 15 mm
ra max - 3 mm
rmin - 4 mm
m - 99 kg / Weight
Cr - 2950000 N / Dynamic load rating (radial)
e - 0,3
Y1 - 2,23
Y2 - 3,32
C0r - 5200000 N / Static load rating (radial)
Y0 - 2,18
nG - 1200 1/min / Limiting speed
nB - 680 1/min / Reference speed
Cur - 455000 N
Main dimensions to DIN 635-2