HOME >> Services >> Partners >> FAG Bearing
FAG Bearing
IKO Bearing
INA Bearing
KOYO Bearing
NACHI Bearing
NSK Bearing
NTN Bearing
SKF Bearing
TIMKEN Bearing

Bearing number : 24068-E1A-K30-MB1 + AH24068-H
Size (mm) : 320x520x180
Brand : FAG
Bore Diameter (mm) : 320
Outer Diameter (mm) : 520
Width (mm) : 180
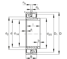
d1H - 320 mm
D - 520 mm
B - 180 mm
a - 19 mm
b - 26 mm
D1 - 456,1 mm
Da max - 502 mm
d - 340 mm
d2G - Tr360X5
da min - 358 mm
ds - 9,5 mm
l - 206 mm
ns - 17,7 mm
ra max - 4 mm
rmin - 5 mm
- AH24068-H / Designation, withdrawal sleeve
m - 136 kg / Weight
m1 - 21,1 kg / Weight, withdrawal sleeve
Cr - 3550000 N / Dynamic load rating (radial)
e - 0,32
Y1 - 2,12
Y2 - 3,15
C0r - 6200000 N / Static load rating (radial)
Y0 - 2,07
nG - 1080 1/min / Limiting speed
nB - 620 1/min / Reference speed
Cur - 520000 N / Fatigue limit load, radial
Main dimensions to DIN 635-2