HOME >> Services >> Partners >> FAG Bearing
FAG Bearing
IKO Bearing
INA Bearing
KOYO Bearing
NACHI Bearing
NSK Bearing
NTN Bearing
SKF Bearing
TIMKEN Bearing

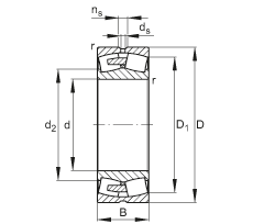
Bearing number : 24068-E1A-MB1
Size (mm) : 340x520x180
Brand : FAG
Bore Diameter (mm) : 340
Outer Diameter (mm) : 520
Width (mm) : 180
d - 340 mm
D - 520 mm
B - 180 mm
D1 - 456,1 mm
Da max - 502 mm
da min - 358 mm
ds - 9,5 mm
ns - 17,7 mm
ra max - 4 mm
rmin - 5 mm
m - 139 kg / Weight
Cr - 3550000 N / Dynamic load rating (radial)
e - 0,32
Y1 - 2,12
Y2 - 3,15
C0r - 6200000 N / Static load rating (radial)
Y0 - 2,07
nG - 1080 1/min / Limiting speed
nB - 620 1/min / Reference speed
Cur - 520000 N
Main dimensions to DIN 635-2