HOME >> Services >> Partners >> FAG Bearing
FAG Bearing
IKO Bearing
INA Bearing
KOYO Bearing
NACHI Bearing
NSK Bearing
NTN Bearing
SKF Bearing
TIMKEN Bearing

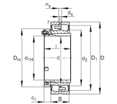
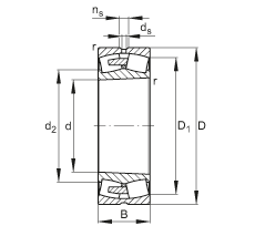
Bearing number : 24072-E1A-K30-MB1
Size (mm) : 360x540x180
Brand : FAG
Bore Diameter (mm) : 360
Outer Diameter (mm) : 540
Width (mm) : 180
d - 360 mm
D - 540 mm
B - 180 mm
D1 - 476,4 mm
Da max - 522 mm
da min - 378 mm
ds - 9,5 mm
ns - 17,7 mm
ra max - 4 mm
rmin - 5 mm
m - 141 kg / Weight
Cr - 3650000 N / Dynamic load rating (radial)
e - 0,3
Y1 - 2,23
Y2 - 3,32
C0r - 6600000 N / Static load rating (radial)
Y0 - 2,18
nG - 1040 1/min / Limiting speed
nB - 580 1/min / Reference speed
Cur - 560000 N
Main dimensions to DIN 635-2