HOME >> Services >> Partners >> FAG Bearing
FAG Bearing
IKO Bearing
INA Bearing
KOYO Bearing
NACHI Bearing
NSK Bearing
NTN Bearing
SKF Bearing
TIMKEN Bearing

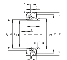
Bearing number : 24072-E1A-K30-MB1 + AH24072-H
Size (mm) : 340x540x180
Brand : FAG
Bore Diameter (mm) : 340
Outer Diameter (mm) : 540
Width (mm) : 180
d1H - 340 mm
D - 540 mm
B - 180 mm
a - 20 mm
b - 26 mm
D1 - 476,4 mm
Da max - 522 mm
d - 360 mm
d2G - Tr380X5
da min - 378 mm
ds - 9,5 mm
l - 206 mm
ns - 17,7 mm
ra max - 4 mm
rmin - 5 mm
- AH24072-H / Designation, withdrawal sleeve
m - 141 kg / Weight
m1 - 22,3 kg / Weight, withdrawal sleeve
Cr - 3650000 N / Dynamic load rating (radial)
e - 0,3
Y1 - 2,23
Y2 - 3,32
C0r - 6600000 N / Static load rating (radial)
Y0 - 2,18
nG - 1040 1/min / Limiting speed
nB - 580 1/min / Reference speed
Cur - 560000 N / Fatigue limit load, radial
Main dimensions to DIN 635-2