HOME >> Services >> Partners >> FAG Bearing
FAG Bearing
IKO Bearing
INA Bearing
KOYO Bearing
NACHI Bearing
NSK Bearing
NTN Bearing
SKF Bearing
TIMKEN Bearing

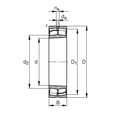
Bearing number : 21317-E1-K
Size (mm) : 85x180x41
Brand : FAG
Bore Diameter (mm) : 85
Outer Diameter (mm) : 180
Width (mm) : 41
d - 85 mm
D - 180 mm
B - 41 mm
D1 - 143,9 mm
Da max - 166 mm
d2 - 106,1 mm
da min - 99 mm
ds - 4,8 mm
ns - 9,5 mm
ra max - 2,5 mm
rmin - 3 mm
m - 5,3 kg / Weight
Cr - 345000 N / Dynamic load rating (radial)
e - 0,23
Y1 - 2,9
Y2 - 4,31
C0r - 375000 N / Static load rating (radial)
Y0 - 2,83
nG - 5200 1/min / Limiting speed
nB - 3550 1/min
Cur - 42500 N / Fatigue limit load, radial
Main dimensions to DIN 635-2