HOME >> Services >> Partners >> FAG Bearing
FAG Bearing
IKO Bearing
INA Bearing
KOYO Bearing
NACHI Bearing
NSK Bearing
NTN Bearing
SKF Bearing
TIMKEN Bearing

Bearing number : 24084-B-K30-MB + AH24084-H
Size (mm) : 400x620x200
Brand : FAG
Bore Diameter (mm) : 400
Outer Diameter (mm) : 620
Width (mm) : 200
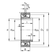
d1H - 400 mm
D - 620 mm
B - 200 mm
a - 22 mm
b - 30 mm
D1 - 550,2 mm
Da max - 602 mm
d - 420 mm
d2G - Tr440X5
da min - 438 mm
ds - 12,5 mm
l - 230 mm
ns - 23,5 mm
ra max - 4 mm
rmin - 5 mm
- AH24084-H / Designation, withdrawal sleeve
m - 214 kg / Weight
m1 - 29,6 kg / Weight, withdrawal sleeve
Cr - 4000000 N / Dynamic load rating (radial)
e - 0,32
Y1 - 2,13
Y2 - 3,17
C0r - 8800000 N / Static load rating (radial)
Y0 - 2,08
nG - 890 1/min / Limiting speed
nB - 465 1/min / Reference speed
Cur - 700000 N / Fatigue limit load, radial
Main dimensions to DIN 635-2