HOME >> Services >> Partners >> FAG Bearing
FAG Bearing
IKO Bearing
INA Bearing
KOYO Bearing
NACHI Bearing
NSK Bearing
NTN Bearing
SKF Bearing
TIMKEN Bearing

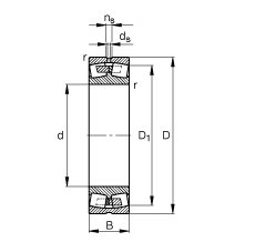
Bearing number : 24092-B-MB
Size (mm) : 460x680x218
Brand : FAG
Bore Diameter (mm) : 460
Outer Diameter (mm) : 680
Width (mm) : 218
d - 460 mm
D - 680 mm
B - 218 mm
D1 - 603,3 mm
Da max - 657 mm
da min - 483 mm
ds - 12,5 mm
ns - 23,5 mm
ra max - 5 mm
rmin - 6 mm
m - 282 kg / Weight
Cr - 4750000 N / Dynamic load rating (radial)
e - 0,31
Y1 - 2,16
Y2 - 3,22
C0r - 10600000 N / Static load rating (radial)
Y0 - 2,12
nG - 790 1/min / Limiting speed
nB - 405 1/min / Reference speed
Cur - 710000 N
Main dimensions to DIN 635-2