HOME >> Services >> Partners >> FAG Bearing
FAG Bearing
IKO Bearing
INA Bearing
KOYO Bearing
NACHI Bearing
NSK Bearing
NTN Bearing
SKF Bearing
TIMKEN Bearing

Bearing number : 241/670-B-K30-MB + AH241/670-H
Size (mm) : 630x1090x412
Brand : FAG
Bore Diameter (mm) : 630
Outer Diameter (mm) : 1090
Width (mm) : 412
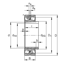
d1H - 630 mm
D - 1090 mm
B - 412 mm
a - 30 mm
b - 55 mm
D1 - 929,4 mm
Da max - 1058 mm
d - 670 mm
d2G - Tr695X6
da min - 702 mm
ds - 12,5 mm
l - 467 mm
ns - 23,5 mm
ra max - 6 mm
rmin - 7,5 mm
- AH241/670-H / Designation, withdrawal sleeve
m - 1539 kg / Weight
m1 - 183 kg / Weight, withdrawal sleeve
Cr - 14000000 N / Dynamic load rating (radial)
e - 0,37
Y1 - 1,83
Y2 - 2,72
C0r - 31500000 N / Static load rating (radial)
Y0 - 1,79
nG - 420 1/min / Limiting speed
nB - 127 1/min / Reference speed
Cur - 2110000 N / Fatigue limit load, radial
Main dimensions to DIN 635-2