HOME >> Services >> Partners >> FAG Bearing
FAG Bearing
IKO Bearing
INA Bearing
KOYO Bearing
NACHI Bearing
NSK Bearing
NTN Bearing
SKF Bearing
TIMKEN Bearing

Bearing number : 241/950-B-MB
Size (mm) : 950x1500x545
Brand : FAG
Bore Diameter (mm) : 950
Outer Diameter (mm) : 1500
Width (mm) : 545
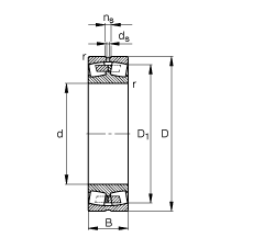
d - 950 mm
D - 1500 mm
B - 545 mm
D1 - 1306,7 mm
Da max - 1452 mm
da min - 998 mm
ds - 12,5 mm
ns - 23,5 mm
ra max - 10 mm
rmin - 12 mm
m - 3819 kg / Weight
Cr - 23700000 N / Dynamic load rating (radial)
e - 0,36
Y1 - 1,87
Y2 - 2,79
C0r - 54000000 N / Static load rating (radial)
Y0 - 1,83
nG - 300 1/min / Limiting speed
nB - 81 1/min / Reference speed
Cur - 3100000 N
Main dimensions to DIN 635-2