HOME >> Services >> Partners >> FAG Bearing
FAG Bearing
IKO Bearing
INA Bearing
KOYO Bearing
NACHI Bearing
NSK Bearing
NTN Bearing
SKF Bearing
TIMKEN Bearing

Bearing number : 24126-E1-K30 + AH24126
Size (mm) : 125x210x80
Brand : FAG
Bore Diameter (mm) : 125
Outer Diameter (mm) : 210
Width (mm) : 80
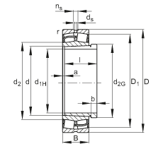
d1H - 125 mm
D - 210 mm
B - 80 mm
a - 10 mm
b - 14 mm
D1 - 181,2 mm
Da max - 199 mm
d - 130 mm
d2 - 148,3 mm
d2G - M140X2
da min - 141 mm
ds - 3,2 mm
l - 94 mm
ns - 6,5 mm
ra max - 2 mm
rmin - 2 mm
- AH24126 / Designation, withdrawal sleeve
m - 10,8 kg / Weight
m1 - 1,13 kg / Weight, withdrawal sleeve
Cr - 710000 N
e - 0,34
Y1 - 1,98
Y2 - 2,94
C0r - 1050000 N / Static load rating (radial)
Y0 - 1,93
nG - 2800 1/min / Limiting speed
nB - 1590 1/min / Reference speed
Cur -
Main dimensions to DIN 635-2