HOME >> Services >> Partners >> FAG Bearing
FAG Bearing
IKO Bearing
INA Bearing
KOYO Bearing
NACHI Bearing
NSK Bearing
NTN Bearing
SKF Bearing
TIMKEN Bearing

Bearing number : 21320-E1-K-TVPB + AHX320
Size (mm) : 95x215x47
Brand : FAG
Bore Diameter (mm) : 95
Outer Diameter (mm) : 215
Width (mm) : 47
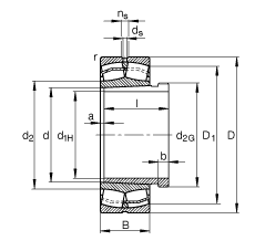
d1H - 95 mm
D - 215 mm
B - 47 mm
a - 4 mm
b - 10 mm
D1 - 182 mm
Da max - 201 mm
d - 100 mm
d2 - 132 mm
d2G - M110X2
da min - 114 mm
ds - 4,8 mm
l - 59 mm
ns - 9,5 mm
ra max - 2,5 mm
rmin - 3 mm
- AHX320 / Designation, withdrawal sleeve
m - 8,08 kg / Weight
m1 - 0,6 kg / Weight, withdrawal sleeve
Cr - 495000 N
e - 0,22
Y1 - 3,14
Y2 - 4,67
C0r - 530000 N / Static load rating (radial)
Y0 - 3,07
nG - 4400 1/min / Limiting speed
nB - 3100 1/min / Reference speed
Cur -
Main dimensions to DIN 635-2