HOME >> Services >> Partners >> FAG Bearing
FAG Bearing
IKO Bearing
INA Bearing
KOYO Bearing
NACHI Bearing
NSK Bearing
NTN Bearing
SKF Bearing
TIMKEN Bearing

Bearing number : 24144-E1-K30 + AH24144
Size (mm) : 200x370x150
Brand : FAG
Bore Diameter (mm) : 200
Outer Diameter (mm) : 370
Width (mm) : 150
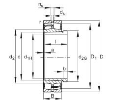
d1H - 200 mm
D - 370 mm
B - 150 mm
a - 14 mm
b - 20 mm
D1 - 314,3 mm
Da max - 353 mm
d - 220 mm
d2 - 247,6 mm
d2G - Tr230X4
da min - 237 mm
ds - 6,3 mm
l - 170 mm
ns - 12,2 mm
ra max - 3 mm
rmin - 4 mm
- AH24144 / Designation, withdrawal sleeve
m - 62,7 kg / Weight
m1 - 10,3 kg / Weight, withdrawal sleeve
Cr - 2190000 N
e - 0,39
Y1 - 1,74
Y2 - 2,59
C0r - 3250000 N / Static load rating (radial)
Y0 - 1,7
nG - 1650 1/min / Limiting speed
nB - 760 1/min / Reference speed
Cur -
Main dimensions to DIN 635-2