HOME >> Services >> Partners >> FAG Bearing
FAG Bearing
IKO Bearing
INA Bearing
KOYO Bearing
NACHI Bearing
NSK Bearing
NTN Bearing
SKF Bearing
TIMKEN Bearing

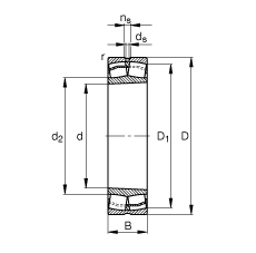
Bearing number : 24176-B-K30
Size (mm) : 380x620x243
Brand : FAG
Bore Diameter (mm) : 380
Outer Diameter (mm) : 620
Width (mm) : 243
d - 380 mm
D - 620 mm
B - 243 mm
D1 - 525,8 mm
Da max - 600 mm
da min - 400 mm
ds - 9,5 mm
ns - 17,7 mm
ra max - 4 mm
rmin - 5 mm
m - 277 kg / Weight
Cr - 4650000 N / Dynamic load rating (radial)
e - 0,39
Y1 - 1,71
Y2 - 2,54
C0r - 9500000 N / Static load rating (radial)
Y0 - 1,67
nG - 850 1/min / Limiting speed
nB - 335 1/min / Reference speed
Cur - 770000 N
Main dimensions to DIN 635-2