HOME >> Services >> Partners >> FAG Bearing
FAG Bearing
IKO Bearing
INA Bearing
KOYO Bearing
NACHI Bearing
NSK Bearing
NTN Bearing
SKF Bearing
TIMKEN Bearing

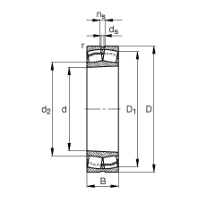
Bearing number : 24180-B-K30
Size (mm) : 400x650x250
Brand : FAG
Bore Diameter (mm) : 400
Outer Diameter (mm) : 650
Width (mm) : 250
d - 400 mm
D - 650 mm
B - 250 mm
D1 - 553,5 mm
Da max - 624 mm
da min - 426 mm
ds - 12,5 mm
ns - 23,5 mm
ra max - 5 mm
rmin - 6 mm
m - 318 kg / Weight
Cr - 5100000 N / Dynamic load rating (radial)
e - 0,39
Y1 - 1,72
Y2 - 2,56
C0r - 10400000 N / Static load rating (radial)
Y0 - 1,68
nG - 810 1/min / Limiting speed
nB - 310 1/min / Reference speed
Cur - 720000 N
Main dimensions to DIN 635-2