HOME >> Services >> Partners >> FAG Bearing
FAG Bearing
IKO Bearing
INA Bearing
KOYO Bearing
NACHI Bearing
NSK Bearing
NTN Bearing
SKF Bearing
TIMKEN Bearing

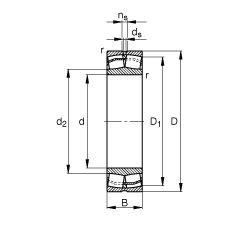
Bearing number : 24184-B
Size (mm) : 420x700x280
Brand : FAG
Bore Diameter (mm) : 420
Outer Diameter (mm) : 700
Width (mm) : 280
d - 420 mm
D - 700 mm
B - 280 mm
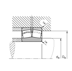
D1 - 590,3 mm
Da max - 674 mm
da min - 446 mm
ds - 12,5 mm
ns - 23,5 mm
ra max - 5 mm
rmin - 6 mm
m - 442 kg / Weight
Cr - 6200000 N / Dynamic load rating (radial)
e - 0,4
Y1 - 1,67
Y2 - 2,49
C0r - 12700000 N / Static load rating (radial)
Y0 - 1,63
nG - 730 1/min / Limiting speed
nB - 270 1/min / Reference speed
Cur - 980000 N
Main dimensions to DIN 635-2