HOME >> Services >> Partners >> FAG Bearing
FAG Bearing
IKO Bearing
INA Bearing
KOYO Bearing
NACHI Bearing
NSK Bearing
NTN Bearing
SKF Bearing
TIMKEN Bearing

Bearing number : 24184-B-K30 + AH24184-H
Size (mm) : 400x700x280
Brand : FAG
Bore Diameter (mm) : 400
Outer Diameter (mm) : 700
Width (mm) : 280
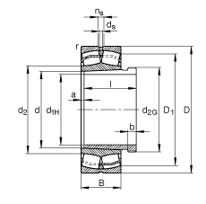
d1H - 400 mm
D - 700 mm
B - 280 mm
a - 22 mm
b - 30 mm
D1 - 590,3 mm
Da max - 674 mm
d - 420 mm
d2G - Tr440X5
da min - 446 mm
ds - 12,5 mm
l - 310 mm
ns - 23,5 mm
ra max - 5 mm
rmin - 6 mm
- AH24184-H / Designation, withdrawal sleeve
m - 407 kg / Weight
m1 - 41 kg / Weight, withdrawal sleeve
Cr - 6200000 N / Dynamic load rating (radial)
e - 0,4
Y1 - 1,67
Y2 - 2,49
C0r - 12700000 N / Static load rating (radial)
Y0 - 1,63
nG - 730 1/min / Limiting speed
nB - 270 1/min / Reference speed
Cur - 980000 N / Fatigue limit load, radial
Main dimensions to DIN 635-2