HOME >> Services >> Partners >> FAG Bearing
FAG Bearing
IKO Bearing
INA Bearing
KOYO Bearing
NACHI Bearing
NSK Bearing
NTN Bearing
SKF Bearing
TIMKEN Bearing

Bearing number : 24196-E1A-K30-MB1
Size (mm) : 480x790x308
Brand : FAG
Bore Diameter (mm) : 480
Outer Diameter (mm) : 790
Width (mm) : 308
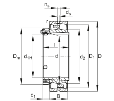
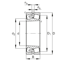
d - 480 mm
D - 790 mm
B - 308 mm
D1 - 673,14 mm
Da max - 758 mm
da min - 512 mm
ds - 12,5 mm
ns - 23,5 mm
ra max - 6 mm
rmin - 7,5 mm
m - 594 kg / Weight
Cr - 9000000 N / Dynamic load rating (radial)
e - 0,38
Y1 - 1,79
Y2 - 2,67
C0r - 15500000 N / Static load rating (radial)
Y0 - 1,75
nG - 640 1/min / Limiting speed
nB - 228 1/min / Reference speed
Cur - 1070000 N
Main dimensions to DIN 635-2