HOME >> Services >> Partners >> FAG Bearing
FAG Bearing
IKO Bearing
INA Bearing
KOYO Bearing
NACHI Bearing
NSK Bearing
NTN Bearing
SKF Bearing
TIMKEN Bearing

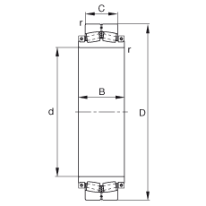
Bearing number : 241SM470-MA
Size (mm) : 470x830x325
Brand : FAG
Bore Diameter (mm) : 470
Outer Diameter (mm) : 830
Width (mm) : 325
d - 470 mm
D - 830 mm
C - 325 mm
B - 420 mm
rmin - 7,5 mm
m - 872 kg / Weight
Cr - 7800000 N / Dynamic load rating (radial)
e - 0,39
Y1 - 1,75
Y2 - 2,61
C0r - 16000000 N / Static load rating (radial)
Y0 - 1,71
nG - 220 1/min / Limiting speed
Cur - 1130000 N / Fatigue limit load, radial
Fa max - 60000 N / Permissible axial load, for inner ring without axial abutment
Mi - 1000 Nm / Tightening torque per clamping screw
Ma - 295 Nm / Tightening torque per clamping screw