HOME >> Services >> Partners >> FAG Bearing
FAG Bearing
IKO Bearing
INA Bearing
KOYO Bearing
NACHI Bearing
NSK Bearing
NTN Bearing
SKF Bearing
TIMKEN Bearing

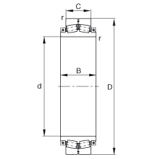
Bearing number : 241SM530-MA
Size (mm) : 530x920x355
Brand : FAG
Bore Diameter (mm) : 530
Outer Diameter (mm) : 920
Width (mm) : 355
d - 530 mm
D - 920 mm
C - 355 mm
B - 500 mm
rmin - 7,5 mm
m - 1360 kg / Weight
Cr - 9150000 N / Dynamic load rating (radial)
e - 0,38
Y1 - 1,77
Y2 - 2,64
C0r - 19300000 N / Static load rating (radial)
Y0 - 1,73
nG - 197 1/min / Limiting speed
Cur - 1390000 N / Fatigue limit load, radial
Fa max - 135300 N / Permissible axial load, for inner ring without axial abutment
Mi - 2000 Nm / Tightening torque per clamping screw
Ma - 295 Nm / Tightening torque per clamping screw