HOME >> Services >> Partners >> FAG Bearing
FAG Bearing
IKO Bearing
INA Bearing
KOYO Bearing
NACHI Bearing
NSK Bearing
NTN Bearing
SKF Bearing
TIMKEN Bearing

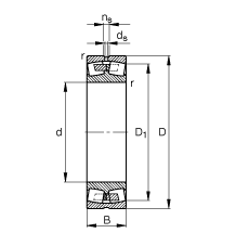
Bearing number : 248/1250-B-MB
Size (mm) : 1250x1500x250
Brand : FAG
Bore Diameter (mm) : 1250
Outer Diameter (mm) : 1500
Width (mm) : 250
d - 1250 mm
D - 1500 mm
B - 250 mm
D1 - 1423,5 mm
Da max - 1477 mm
da min - 1273 mm
ds - 9,5 mm
ns - 17,7 mm
ra max - 5 mm
rmin - 6 mm
m - 918 kg / Weight
Cr - 9000000 N / Dynamic load rating (radial)
e - 0,14
Y1 - 4,67
Y2 - 6,96
C0r - 30500000 N / Static load rating (radial)
Y0 - 4,57
nG - 320 1/min / Limiting speed
nB - - 1/min / Reference speed
Cur - 1230000 N
Main dimensions to DIN 635-2