HOME >> Services >> Partners >> FAG Bearing
FAG Bearing
IKO Bearing
INA Bearing
KOYO Bearing
NACHI Bearing
NSK Bearing
NTN Bearing
SKF Bearing
TIMKEN Bearing

Bearing number : 2201-TVH
Size (mm) : 12x32x14
Brand : FAG
Bore Diameter (mm) : 12
Outer Diameter (mm) : 32
Width (mm) : 14
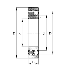
d - 12 mm
D - 32 mm
B - 14 mm
D1 - 26,2 mm
Da max - 27,8 mm
d1 - 17,1 mm
da min - 16,2 mm
ra max - 0,6 mm
rmin - 0,6 mm
m - 0,05 kg / Weight
Cr - 9400 N / Dynamic load rating (radial)
e - 0,53
Y1 - 1,2
Y2 - 1,85
C0r - 1920 N / Static load rating (radial)
Y0 - 1,25
nG - 26000 1/min / Limiting speed
nB - 26000 1/min / Reference speed
Cur - 120 N / Fatigue limit load, radial
Main dimensions to DIN 630