HOME >> Services >> Partners >> FAG Bearing
FAG Bearing
IKO Bearing
INA Bearing
KOYO Bearing
NACHI Bearing
NSK Bearing
NTN Bearing
SKF Bearing
TIMKEN Bearing

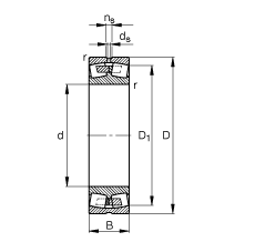
Bearing number : 248/750-B-MB
Size (mm) : 750x920x170
Brand : FAG
Bore Diameter (mm) : 750
Outer Diameter (mm) : 920
Width (mm) : 170
d - 750 mm
D - 920 mm
B - 170 mm
D1 - 868,2 mm
Da max - 902 mm
da min - 768 mm
ds - 8 mm
ns - 15 mm
ra max - 4 mm
rmin - 5 mm
m - 254 kg / Weight
Cr - 4150000 N / Dynamic load rating (radial)
e - 0,16
Y1 - 4,11
Y2 - 6,12
C0r - 12500000 N / Static load rating (radial)
Y0 - 4,02
nG - 570 1/min / Limiting speed
nB - - 1/min / Reference speed
Cur - 740000 N
Main dimensions to DIN 635-2