HOME >> Services >> Partners >> FAG Bearing
FAG Bearing
IKO Bearing
INA Bearing
KOYO Bearing
NACHI Bearing
NSK Bearing
NTN Bearing
SKF Bearing
TIMKEN Bearing

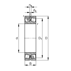
Bearing number : 248/900-B-MB
Size (mm) : 900x1090x190
Brand : FAG
Bore Diameter (mm) : 900
Outer Diameter (mm) : 1090
Width (mm) : 190
d - 900 mm
D - 1090 mm
B - 190 mm
D1 - 1030,5 mm
Da max - 1072 mm
da min - 918 mm
ds - 8 mm
ns - 15 mm
ra max - 4 mm
rmin - 5 mm
m - 382 kg / Weight
Cr - 5200000 N / Dynamic load rating (radial)
e - 0,15
Y1 - 4,4
Y2 - 6,56
C0r - 16700000 N / Static load rating (radial)
Y0 - 4,31
nG - 465 1/min / Limiting speed
nB - - 1/min / Reference speed
Cur - 970000 N
Main dimensions to DIN 635-2