HOME >> Services >> Partners >> FAG Bearing
FAG Bearing
IKO Bearing
INA Bearing
KOYO Bearing
NACHI Bearing
NSK Bearing
NTN Bearing
SKF Bearing
TIMKEN Bearing

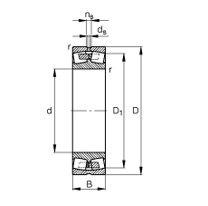
Bearing number : 249/1060-B-MB
Size (mm) : 1060x1400x335
Brand : FAG
Bore Diameter (mm) : 1060
Outer Diameter (mm) : 1400
Width (mm) : 335
d - 1060 mm
D - 1400 mm
B - 335 mm
D1 - 1290,7 mm
Da max - 1372 mm
da min - 1088 mm
ds - 12,5 mm
ns - 23,5 mm
ra max - 6 mm
rmin - 7,5 mm
m - 1436 kg / Weight
Cr - 12900000 N / Dynamic load rating (radial)
e - 0,21
Y1 - 3,17
Y2 - 4,72
C0r - 36000000 N / Static load rating (radial)
Y0 - 3,1
nG - 345 1/min / Limiting speed
nB - - 1/min / Reference speed
Cur - 2270000 N
Main dimensions to DIN 635-2