HOME >> Services >> Partners >> FAG Bearing
FAG Bearing
IKO Bearing
INA Bearing
KOYO Bearing
NACHI Bearing
NSK Bearing
NTN Bearing
SKF Bearing
TIMKEN Bearing

Bearing number : 292/1000-E-MB
Size (mm) : 1000x1320x190
Brand : FAG
Bore Diameter (mm) : 1000
Outer Diameter (mm) : 1320
Width (mm) : 190
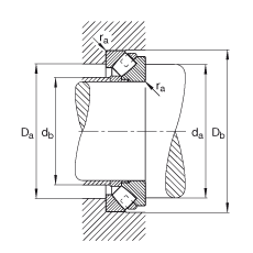
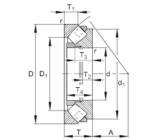
d - 1000 mm
D - 1320 mm
T - 190 mm
A - 540 mm
D1 - 1139 mm
Da max - 1151 mm
Db min - 1340 mm
d1 - 1260 mm
da min - 1216 mm
db max - 1045 mm
ra max - 8 mm
rmin - 9,5 mm
T1 - 98 mm
T2 - 68 mm
T3 - 117,5 mm
T4 - 134 mm
m - 637,5 kg / Weight
Ca - 9400000 N / Dynamic load rating (axial)
C0a - 55000000 N / Static load rating (axial)
nG - 425 1/min / Limiting speed
nB - 239 1/min / Reference speed
Cua - - N / Fatigue limit load, axial
Main dimensions to DIN 728/ISO 104, single direction, separable