HOME >> Services >> Partners >> FAG Bearing
FAG Bearing
IKO Bearing
INA Bearing
KOYO Bearing
NACHI Bearing
NSK Bearing
NTN Bearing
SKF Bearing
TIMKEN Bearing

Bearing number : 292/1060-E-MB
Size (mm) : 1060x1400x206
Brand : FAG
Bore Diameter (mm) : 1060
Outer Diameter (mm) : 1400
Width (mm) : 206
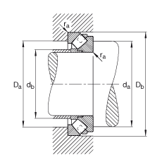
d - 1060 mm
D - 1400 mm
T - 206 mm
A - 566 mm
D1 - 1208 mm
Da max - 1220 mm
Db min - 1422 mm
d1 - 1335 mm
da min - 1290 mm
db max - 1111 mm
ra max - 8 mm
rmin - 9,5 mm
T1 - 108 mm
T2 - 74 mm
T3 - 124 mm
T4 - 142 mm
m - 792 kg / Weight
Ca - 10400000 N / Dynamic load rating (axial)
C0a - 61000000 N / Static load rating (axial)
nG - 400 1/min / Limiting speed
nB - 224 1/min / Reference speed
Cua - - N / Fatigue limit load, axial
Main dimensions to DIN 728/ISO 104, single direction, separable