HOME >> Services >> Partners >> FAG Bearing
FAG Bearing
IKO Bearing
INA Bearing
KOYO Bearing
NACHI Bearing
NSK Bearing
NTN Bearing
SKF Bearing
TIMKEN Bearing

Bearing number : 292/750-E-MB
Size (mm) : 750x1000x150
Brand : FAG
Bore Diameter (mm) : 750
Outer Diameter (mm) : 1000
Width (mm) : 150
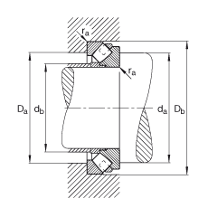
d - 750 mm
D - 1000 mm
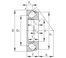
T - 150 mm
A - 406 mm
D1 - 861 mm
Da max - 930 mm
Db min - 1017 mm
d1 - 955 mm
da min - 863 mm
db max - 798 mm
ra max - 5 mm
rmin - 6 mm
T1 - 81 mm
T2 - 54 mm
T3 - 88 mm
T4 - 100 mm
m - 302,3 kg / Weight
Ca - 5400000 N / Dynamic load rating (axial)
C0a - 30500000 N / Static load rating (axial)
nG - 580 1/min / Limiting speed
nB - 325 1/min / Reference speed
Cua - 1410000 N / Fatigue limit load, axial
Main dimensions to DIN 728/ISO 104, single direction, separable