HOME >> Services >> Partners >> FAG Bearing
FAG Bearing
IKO Bearing
INA Bearing
KOYO Bearing
NACHI Bearing
NSK Bearing
NTN Bearing
SKF Bearing
TIMKEN Bearing

Bearing number : 292/800-E-MB
Size (mm) : 800x1060x155
Brand : FAG
Bore Diameter (mm) : 800
Outer Diameter (mm) : 1060
Width (mm) : 155
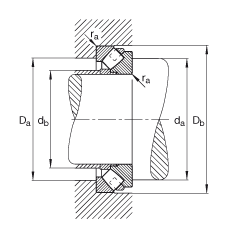
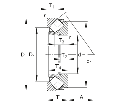
d - 800 mm
D - 1060 mm
T - 155 mm
A - 426 mm
D1 - 915 mm
Da max - 987 mm
Db min - 1078 mm
d1 - 1010 mm
da min - 918 mm
db max - 837 mm
ra max - 6 mm
rmin - 7,5 mm
T1 - 81 mm
T2 - 56 mm
T3 - 96 mm
T4 - 110 mm
m - 347 kg / Weight
Ca - 6400000 N / Dynamic load rating (axial)
C0a - 36000000 N / Static load rating (axial)
nG - 540 1/min / Limiting speed
nB - 305 1/min / Reference speed
Cua - 1640000 N / Fatigue limit load, axial
Main dimensions to DIN 728/ISO 104, single direction, separable