HOME >> Services >> Partners >> FAG Bearing
FAG Bearing
IKO Bearing
INA Bearing
KOYO Bearing
NACHI Bearing
NSK Bearing
NTN Bearing
SKF Bearing
TIMKEN Bearing

Bearing number : 292/850-E-MB
Size (mm) : 850x1120x160
Brand : FAG
Bore Diameter (mm) : 850
Outer Diameter (mm) : 1120
Width (mm) : 160
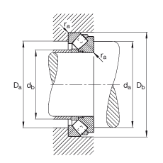
d - 850 mm
D - 1120 mm
T - 160 mm
A - 453 mm
D1 - 963 mm
Da max - 1043 mm
Db min - 1138 mm
d1 - 1065 mm
da min - 973 mm
db max - 881 mm
ra max - 6 mm
rmin - 7,5 mm
T1 - 82 mm
T2 - 58 mm
T3 - 101,5 mm
T4 - 116 mm
m - 393 kg / Weight
Ca - 7200000 N / Dynamic load rating (axial)
C0a - 40500000 N / Static load rating (axial)
nG - 510 1/min / Limiting speed
nB - 285 1/min / Reference speed
Cua - - N / Fatigue limit load, axial
Main dimensions to DIN 728/ISO 104, single direction, separable