HOME >> Services >> Partners >> FAG Bearing
FAG Bearing
IKO Bearing
INA Bearing
KOYO Bearing
NACHI Bearing
NSK Bearing
NTN Bearing
SKF Bearing
TIMKEN Bearing

Bearing number : 29230-E1-MB
Size (mm) : 150x215x39
Brand : FAG
Bore Diameter (mm) : 150
Outer Diameter (mm) : 215
Width (mm) : 39
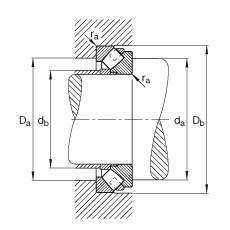
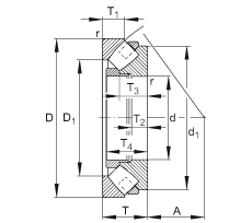
d - 150 mm
D - 215 mm
T - 39 mm
A - 82 mm
D1 - 176 mm
Da max - 193 mm
Db min - 219 mm
d1 - 200 mm
da min - 185 mm
db max - 157 mm
ra max - 1,5 mm
rmin - 1,5 mm
T1 - 20,5 mm
T2 - 14 mm
T3 - 25 mm
T4 - 37 mm
m - 4,4 kg / Weight
Ca - 425000 N / Dynamic load rating (axial)
C0a - 1720000 N / Static load rating (axial)
nG - 3100 1/min / Limiting speed
nB - 1610 1/min / Reference speed
Cua - - N / Fatigue limit load, axial
Main dimensions to DIN 728/ISO 104, single direction, separable