HOME >> Services >> Partners >> FAG Bearing
FAG Bearing
IKO Bearing
INA Bearing
KOYO Bearing
NACHI Bearing
NSK Bearing
NTN Bearing
SKF Bearing
TIMKEN Bearing

Bearing number : 29232-E1-MB
Size (mm) : 160x225x39
Brand : FAG
Bore Diameter (mm) : 160
Outer Diameter (mm) : 225
Width (mm) : 39
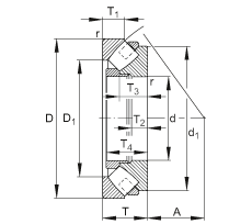
d - 160 mm
D - 225 mm
T - 39 mm
A - 87 mm
D1 - 188 mm
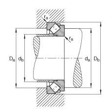
Da max - 204 mm
Db min - 229 mm
d1 - 210 mm
da min - 195 mm
db max - 168 mm
ra max - 1,5 mm
rmin - 1,5 mm
T1 - 20 mm
T2 - 14 mm
T3 - 25 mm
T4 - 37 mm
m - 4,7 kg / Weight
Ca - 420000 N / Dynamic load rating (axial)
C0a - 1720000 N / Static load rating (axial)
nG - 2950 1/min / Limiting speed
nB - 1510 1/min / Reference speed
Cua - - N / Fatigue limit load, axial
Main dimensions to DIN 728/ISO 104, single direction, separable