HOME >> Services >> Partners >> FAG Bearing
FAG Bearing
IKO Bearing
INA Bearing
KOYO Bearing
NACHI Bearing
NSK Bearing
NTN Bearing
SKF Bearing
TIMKEN Bearing

Bearing number : 29296-E-MB
Size (mm) : 480x650x103
Brand : FAG
Bore Diameter (mm) : 480
Outer Diameter (mm) : 650
Width (mm) : 103
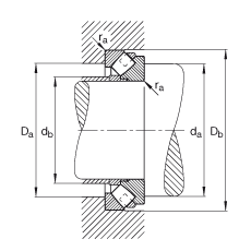
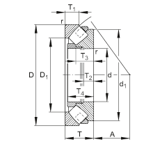
d - 480 mm
D - 650 mm
T - 103 mm
A - 259 mm
D1 - 556 mm
Da max - 603 mm
Db min - 662 mm
d1 - 620 mm
da min - 555 mm
db max - 508 mm
ra max - 4 mm
rmin - 5 mm
T1 - 55 mm
T2 - 37 mm
T3 - 62 mm
T4 - 71 mm
m - 89,5 kg / Weight
Ca - 2700000 N / Dynamic load rating (axial)
C0a - 14000000 N / Static load rating (axial)
nG - 900 1/min / Limiting speed
nB - 520 1/min / Reference speed
Cua - 700000 N / Fatigue limit load, axial
Main dimensions to DIN 728/ISO 104, single direction, separable