HOME >> Services >> Partners >> FAG Bearing
FAG Bearing
IKO Bearing
INA Bearing
KOYO Bearing
NACHI Bearing
NSK Bearing
NTN Bearing
SKF Bearing
TIMKEN Bearing

Bearing number : 293/1600-E-MB
Size (mm) : 1600x2280x408
Brand : FAG
Bore Diameter (mm) : 1600
Outer Diameter (mm) : 2280
Width (mm) : 408
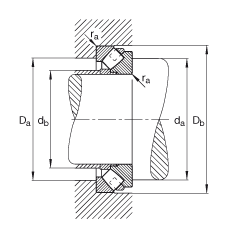
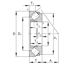
d - 1600 mm
D - 2280 mm
T - 408 mm
A - 894 mm
D1 - 1885 mm
Da max - 2090 mm
Db min - 2303 mm
d1 - 2135 mm
da min - 1920 mm
db max - 1675 mm
ra max - 15 mm
rmin - 19 mm
T1 - 195 mm
T2 - 147 mm
T3 - 255 mm
T4 - 301 mm
m - 4944,8 kg / Weight
Ca - 36000000 N / Dynamic load rating (axial)
C0a - 196000000 N / Static load rating (axial)
nG - 218 1/min / Limiting speed
nB - 109 1/min / Reference speed
Cua - - N / Fatigue limit load, axial
Main dimensions to DIN 728/ISO 104, single direction, separable