HOME >> Services >> Partners >> FAG Bearing
FAG Bearing
IKO Bearing
INA Bearing
KOYO Bearing
NACHI Bearing
NSK Bearing
NTN Bearing
SKF Bearing
TIMKEN Bearing

Bearing number : 293/600-E-MB
Size (mm) : 600x900x180
Brand : FAG
Bore Diameter (mm) : 600
Outer Diameter (mm) : 900
Width (mm) : 180
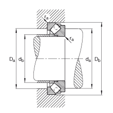
d - 600 mm
D - 900 mm
T - 180 mm
A - 335 mm
D1 - 727 mm
Da max - 815 mm
Db min - 920 mm
d1 - 840 mm
da min - 735 mm
db max - 633 mm
ra max - 6 mm
rmin - 7,5 mm
T1 - 87 mm
T2 - 65 mm
T3 - 113,5 mm
T4 - 129 mm
m - 371,4 kg / Weight
Ca - 7300000 N / Dynamic load rating (axial)
C0a - 33000000 N / Static load rating (axial)
nG - 570 1/min / Limiting speed
nB - 335 1/min / Reference speed
Cua - - N / Fatigue limit load, axial
Main dimensions to DIN 728/ISO 104, single direction, separable