HOME >> Services >> Partners >> FAG Bearing
FAG Bearing
IKO Bearing
INA Bearing
KOYO Bearing
NACHI Bearing
NSK Bearing
NTN Bearing
SKF Bearing
TIMKEN Bearing

Bearing number : 293/630-E-MB
Size (mm) : 630x950x190
Brand : FAG
Bore Diameter (mm) : 630
Outer Diameter (mm) : 950
Width (mm) : 190
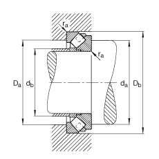
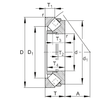
d - 630 mm
D - 950 mm
T - 190 mm
A - 345 mm
D1 - 765 mm
Da max - 856 mm
Db min - 970 mm
d1 - 885 mm
da min - 839 mm
db max - 665 mm
ra max - 8 mm
rmin - 9,5 mm
T1 - 92 mm
T2 - 68 mm
T3 - 122 mm
T4 - 138 mm
m - 443,6 kg / Weight
Ca - 8100000 N / Dynamic load rating (axial)
C0a - 37000000 N / Static load rating (axial)
nG - 550 1/min / Limiting speed
nB - 320 1/min / Reference speed
Cua - - N / Fatigue limit load, axial
Main dimensions to DIN 728/ISO 104, single direction, separable