HOME >> Services >> Partners >> FAG Bearing
FAG Bearing
IKO Bearing
INA Bearing
KOYO Bearing
NACHI Bearing
NSK Bearing
NTN Bearing
SKF Bearing
TIMKEN Bearing

Bearing number : 293/750-E-MB
Size (mm) : 750x1120x224
Brand : FAG
Bore Diameter (mm) : 750
Outer Diameter (mm) : 1120
Width (mm) : 224
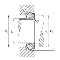
d - 750 mm
D - 1120 mm
T - 224 mm
A - 415 mm
D1 - 909 mm
Da max - 1015 mm
Db min - 1142 mm
d1 - 1045 mm
da min - 915 mm
db max - 795 mm
ra max - 8 mm
rmin - 9,5 mm
T1 - 108 mm
T2 - 81 mm
T3 - 140 mm
T4 - 159 mm
m - 709,1 kg / Weight
Ca - 10700000 N / Dynamic load rating (axial)
C0a - 50000000 N / Static load rating (axial)
nG - 455 1/min / Limiting speed
nB - 260 1/min / Reference speed
Cua - 2410000 N / Fatigue limit load, axial
Main dimensions to DIN 728/ISO 104, single direction, separable