HOME >> Services >> Partners >> FAG Bearing
FAG Bearing
IKO Bearing
INA Bearing
KOYO Bearing
NACHI Bearing
NSK Bearing
NTN Bearing
SKF Bearing
TIMKEN Bearing

Bearing number : 293/900-E-MB
Size (mm) : 900x1320x250
Brand : FAG
Bore Diameter (mm) : 900
Outer Diameter (mm) : 1320
Width (mm) : 250
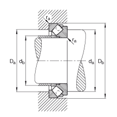
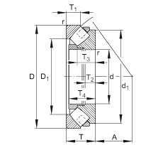
d - 900 mm
D - 1320 mm
T - 250 mm
A - 496 mm
D1 - 1068 mm
Da max - 1203 mm
Db min - 1343 mm
d1 - 1235 mm
da min - 1090 mm
db max - 947 mm
ra max - 10 mm
rmin - 12 mm
T1 - 120 mm
T2 - 90 mm
T3 - 158 mm
T4 - 180 mm
m - 1061,2 kg / Weight
Ca - 14100000 N / Dynamic load rating (axial)
C0a - 69000000 N / Static load rating (axial)
nG - 385 1/min / Limiting speed
nB - 213 1/min / Reference speed
Cua - - N / Fatigue limit load, axial
Main dimensions to DIN 728/ISO 104, single direction, separable