HOME >> Services >> Partners >> FAG Bearing
FAG Bearing
IKO Bearing
INA Bearing
KOYO Bearing
NACHI Bearing
NSK Bearing
NTN Bearing
SKF Bearing
TIMKEN Bearing

Bearing number : 29372-E1-MB
Size (mm) : 360x560x122
Brand : FAG
Bore Diameter (mm) : 360
Outer Diameter (mm) : 560
Width (mm) : 122
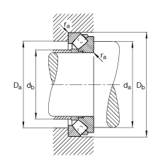
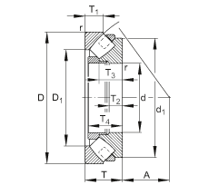
d - 360 mm
D - 560 mm
T - 122 mm
A - 202 mm
D1 - 448 mm
Da max - 504 mm
Db min - 572 mm
d1 - 520 mm
da min - 455 mm
db max - 385 mm
ra max - 4 mm
rmin - 5 mm
T1 - 59,5 mm
T2 - 44 mm
T3 - 75 mm
T4 - 117 mm
m - 105,4 kg / Weight
Ca - 3750000 N / Dynamic load rating (axial)
C0a - 13000000 N / Static load rating (axial)
nG - 1110 1/min / Limiting speed
nB - 580 1/min / Reference speed
Cua - 1290000 N / Fatigue limit load, axial
Main dimensions to DIN 728/ISO 104, single direction, separable