HOME >> Services >> Partners >> FAG Bearing
FAG Bearing
IKO Bearing
INA Bearing
KOYO Bearing
NACHI Bearing
NSK Bearing
NTN Bearing
SKF Bearing
TIMKEN Bearing

Bearing number : 29380-E1-MB
Size (mm) : 400x620x132
Brand : FAG
Bore Diameter (mm) : 400
Outer Diameter (mm) : 620
Width (mm) : 132
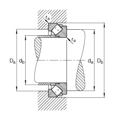
d - 400 mm
D - 620 mm
T - 132 mm
A - 225 mm
D1 - 494 mm
Da max - 557 mm
Db min - 634 mm
d1 - 575 mm
da min - 510 mm
db max - 429 mm
ra max - 5 mm
rmin - 6 mm
T1 - 64 mm
T2 - 48 mm
T3 - 83 mm
T4 - 127 mm
m - 141,7 kg / Weight
Ca - 4550000 N / Dynamic load rating (axial)
C0a - 16300000 N / Static load rating (axial)
nG - 980 1/min / Limiting speed
nB - 520 1/min / Reference speed
Cua - 1620000 N / Fatigue limit load, axial
Main dimensions to DIN 728/ISO 104, single direction, separable