HOME >> Services >> Partners >> FAG Bearing
FAG Bearing
IKO Bearing
INA Bearing
KOYO Bearing
NACHI Bearing
NSK Bearing
NTN Bearing
SKF Bearing
TIMKEN Bearing

Bearing number : 294/530-E-MB
Size (mm) : 530x920x236
Brand : FAG
Bore Diameter (mm) : 530
Outer Diameter (mm) : 920
Width (mm) : 236
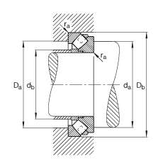
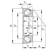
d - 530 mm
D - 920 mm
T - 236 mm
A - 309 mm
D1 - 690 mm
Da max - 810 mm
Db min - 937 mm
d1 - 840 mm
da min - 700 mm
db max - 573 mm
ra max - 8 mm
rmin - 9,5 mm
T1 - 114 mm
T2 - 85 mm
T3 - 150,5 mm
T4 - 169 mm
m - 624,1 kg / Weight
Ca - 10300000 N / Dynamic load rating (axial)
C0a - 42000000 N / Static load rating (axial)
nG - 500 1/min / Limiting speed
nB - 325 1/min / Reference speed
Cua - 2130000 N / Fatigue limit load, axial
Main dimensions to DIN 728/ISO 104, single direction, separable