HOME >> Services >> Partners >> FAG Bearing
FAG Bearing
IKO Bearing
INA Bearing
KOYO Bearing
NACHI Bearing
NSK Bearing
NTN Bearing
SKF Bearing
TIMKEN Bearing

Bearing number : 294/750-E-MB
Size (mm) : 750x1280x315
Brand : FAG
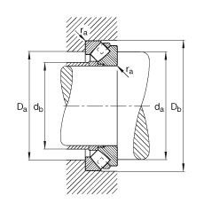
Bore Diameter (mm) : 750
Outer Diameter (mm) : 1280
Width (mm) : 315
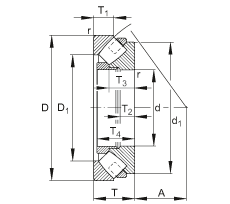
d - 750 mm
D - 1280 mm
T - 315 mm
A - 436 mm
D1 - 972 mm
Da max - 1130 mm
Db min - 1310 mm
d1 - 1170 mm
da min - 1000 mm
db max - 812 mm
ra max - 12 mm
rmin - 15 mm
T1 - 152 mm
T2 - 113 mm
T3 - 200 mm
T4 - 225 mm
m - 1565,2 kg / Weight
Ca - 18400000 N / Dynamic load rating (axial)
C0a - 80000000 N / Static load rating (axial)
nG - 365 1/min / Limiting speed
nB - 217 1/min / Reference speed
Cua - - N / Fatigue limit load, axial
Main dimensions to DIN 728/ISO 104, single direction, separable