HOME >> Services >> Partners >> FAG Bearing
FAG Bearing
IKO Bearing
INA Bearing
KOYO Bearing
NACHI Bearing
NSK Bearing
NTN Bearing
SKF Bearing
TIMKEN Bearing

Bearing number : 294/850-E-MB
Size (mm) : 850x1440x354
Brand : FAG
Bore Diameter (mm) : 850
Outer Diameter (mm) : 1440
Width (mm) : 354
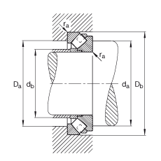
d - 850 mm
D - 1440 mm
T - 354 mm
A - 490 mm
D1 - 1099 mm
Da max - 1229 mm
Db min - 1470 mm
d1 - 1315 mm
da min - 1119 mm
db max - 875 mm
ra max - 12 mm
rmin - 15 mm
T1 - 172 mm
T2 - 127 mm
T3 - 222 mm
T4 - 249 mm
m - 2200,5 kg / Weight
Ca - 22500000 N / Dynamic load rating (axial)
C0a - 99000000 N / Static load rating (axial)
nG - 320 1/min / Limiting speed
nB - 191 1/min / Reference speed
Cua - - N / Fatigue limit load, axial
Main dimensions to DIN 728/ISO 104, single direction, separable