HOME >> Services >> Partners >> FAG Bearing
FAG Bearing
IKO Bearing
INA Bearing
KOYO Bearing
NACHI Bearing
NSK Bearing
NTN Bearing
SKF Bearing
TIMKEN Bearing

Bearing number : 29417-E1
Size (mm) : 85x180x58
Brand : FAG
Bore Diameter (mm) : 85
Outer Diameter (mm) : 180
Width (mm) : 58
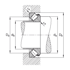
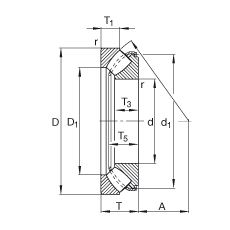
d - 85 mm
D - 180 mm
T - 58 mm
A - 54 mm
D1 - 121 mm
Da max - 150 mm
Db min - 183 mm
d1 - 159,3 mm
da min - 130 mm
db max - 94 mm
ra max - 2 mm
rmin - 2,1 mm
T1 - 28 mm
T3 - 37 mm
T5 - 51 mm
m - 6,5 kg / Weight
Ca - 800000 N / Dynamic load rating (axial)
C0a - 1910000 N / Static load rating (axial)
nG - 4050 1/min / Limiting speed
nB - 2010 1/min / Reference speed
Cua - 216000 N / Fatigue limit load, axial
Main dimensions to DIN 728/ISO 104, single direction, separable